ระบบพลังงานแสงอาทิตย์ได้รับความนิยมอย่างมากในปัจจุบัน แต่เพื่อเพิ่มประสิทธิภาพ จำเป็นต้องมีอุปกรณ์เพิ่มเติม เช่น ตัวติดตามแสงอาทิตย์ เป็นต้น
อุปกรณ์นี้เป็นกลไกหมุนได้ ช่วยให้คุณติดตามการเคลื่อนที่ของดวงอาทิตย์ได้ แผงโซลาร์เซลล์จะหมุนไปในทิศทางเดียวกับการเคลื่อนที่ของดวงอาทิตย์ในที่สุด
ข้อดีของระบบติดตามแสงอาทิตย์
ต่อไปนี้คือคุณสมบัติเชิงบวกหลัก ๆ ของการติดตั้งดังกล่าว
- ช่วยเพิ่มประสิทธิภาพของโรงไฟฟ้าโดยรวม
- ประสิทธิภาพเพิ่มขึ้น 45% โดยเฉพาะอย่างยิ่งเมื่อรังสีตกกระทบเซลล์แสงอาทิตย์ในมุม 90 องศา
- ระดับพลังงานที่ได้รับเพิ่มขึ้น
ระบบติดตามแสงอาทิตย์ทำงานอย่างไร?
ในการติดตามดวงดาวหรือวัตถุเรืองแสง อุปกรณ์จะต้องมีคุณสมบัติดังต่อไปนี้:
- ย้ายแผงโซลาร์เซลล์ที่มีแบตเตอรี่ไปยังตำแหน่งที่มีปริมาณแสงสูงสุด
- ค้นหาตำแหน่งของดวงอาทิตย์เมื่อเทียบกับแผงโซลาร์เซลล์
อุปกรณ์อิเล็กทรอนิกส์เฉพาะทาง รวมถึงอุปกรณ์ GPS จะตรวจสอบตำแหน่งของดวงอาทิตย์ อุปกรณ์นี้ช่วยให้คุณคำนวณตำแหน่งของดวงอาทิตย์ได้ นอกจากนี้ยังช่วยให้คุณทราบเวลาได้อีกด้วย
ระบบทั้งหมดทำงานโดยใช้ GPS ดาวเทียมรับสัญญาณที่จำเป็น และแผงโซลาร์เซลล์จะหมุนตามดวงอาทิตย์
ระบบติดตามแสงอาทิตย์นี้ติดตั้งมอเตอร์เซอร์โว ซึ่งช่วยให้สามารถปรับการหมุนของเพลาได้ อุปกรณ์หมุนนี้มีให้เลือกสี่แบบ
ประเภทของระบบติดตามแผงโซลาร์เซลล์
มีอยู่โดยมีแกนหมุน 1 แกนมันสามารถกำหนดทิศทางจากทิศเหนือไปทิศใต้ได้ โดยแบ่งออกเป็นประเภทย่อยต่างๆ ดังนี้:
- แกนเอียง แกนหมุนตั้งอยู่ระหว่างแกนแนวนอนและแกนแนวตั้งเมื่อเทียบกับพื้นผิว
- แกนหมุนในแนวนอน
- มีแกนที่วางแนวตามขั้วโลก หันหน้าเข้าหาดาวเหนือ สามารถปรับมุมได้ตามความเหมาะสมสำหรับการใช้งานแต่ละประเภท
- แกนมีทิศทางในแนวตั้งและตั้งอยู่ในแนวตั้งเมื่อเทียบกับพื้นผิว
ขาตั้งแผงโซลาร์เซลล์แบบหมุนได้ 2 แกน และระนาบรองรับอีกหนึ่งระนาบ
โดยมีแกนบิด 2 แกน แต่ละแกนมีองศาอิสระ 2 องศา ระบบเหล่านี้ทำงานแยกจากกัน แต่ถูกยึดไว้ในหน่วยเดียวกัน ส่งผลให้แผงโซลาร์เซลล์เคลื่อนที่ตามพารามิเตอร์ที่กำหนด โดยมีหลายประเภท ได้แก่:
- ระบบนี้มีแกนหมุนสองแกนและพื้นผิวรองรับ แผงโซลาร์เซลล์จะถูกยึดติดกับพื้นผิวที่ติดตั้งบนแท่นทรงกลม ซึ่งอาจมีลักษณะคล้ายราง ทำให้สามารถติดตั้งแผงได้มากขึ้น ข้อเสียหลักคือพื้นที่ติดตั้งมีขนาดใหญ่
- ระบบติดตามแสงอาทิตย์แบบสองแกน แต่ติดตั้งบนเสาค้ำ แผงโซลาร์เซลล์ถูกติดตั้งบนเสาพิเศษ มีแท่นวางอยู่ด้านบนของเสาซึ่งกลไกการหมุนจะติดอยู่กับแท่นวาง การเคลื่อนที่ในระดับที่สองนั้นทำเช่นเดียวกับระบบติดตามแสงอาทิตย์แบบแกนเดียว
วิธีประดิษฐ์อุปกรณ์หมุนแผงโซลาร์เซลล์ด้วยตัวเอง?
ในการทำเช่นนี้ คุณจะต้องเตรียมชิ้นส่วนที่จำเป็นดังต่อไปนี้:
- อุปกรณ์อิเล็กทรอนิกส์สำหรับตรวจสอบการทำงานของอุปกรณ์ติดตาม
- โครงสำหรับติดตั้ง โดยปกติจะทำจากโลหะ
- อุปกรณ์แปลงพลังงานเพื่อให้มอเตอร์หมุนทำงานโดยใช้โฟโตเซลล์
- วิธีการปกป้องแผงโซลาร์เซลล์จากสภาพอากาศเลวร้าย
- กลไกที่หมุนกรอบและควบคุมกระบวนการ
วิธีสร้างตัวติดตามด้วยตัวเอง
- ซื้อเหล็กรูปทรงต่างๆ แล้วนำมาสร้างเป็นโครงยึด เลือกขนาดหน้าตัดของเหล็กรูปทรงต่างๆ ด้วยสายตา พารามิเตอร์ของการติดตั้งนี้ขึ้นอยู่กับปริมาณ แผงโซลาร์เซลล์ มันจะถูกติดตั้งลงบนนั้น ส่วนนี้เป็นตัวกำหนดการออกแบบของระบบติดตาม ซึ่งหมายความว่าในขั้นตอนนี้ จำนวนแกนที่เคลื่อนที่ได้และการจัดเรียงเชิงพื้นที่ของแกนเหล่านั้นจะถูกกำหนด การดำเนินการออกแบบนี้ต้องอาศัยประสบการณ์ด้านการเชื่อมและการใช้เครื่องมือไฟฟ้า
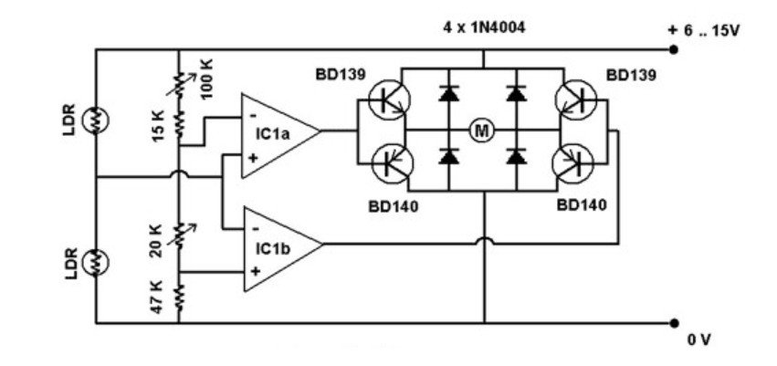
- ในการหมุนตัวติดตามในแนวนอน จะใช้มอเตอร์ซัลไฟด์ มอเตอร์นี้ช่วยให้สามารถหมุนได้หลายทิศทาง ในการควบคุมอุปกรณ์นี้ คุณต้องสร้างอุปกรณ์ไฟฟ้าพิเศษ รีโมทคอนโทรลนี้ใช้ตัวต้านทานแสง คุณสามารถหาแผนผังวงจรได้ทางออนไลน์ อย่างไรก็ตาม การซื้ออุปกรณ์สำเร็จรูปจะดีที่สุด
- เพื่อให้แผงหมุนรอบแกนแนวตั้ง คุณสามารถต่อกลไกนาฬิกาเข้ากับแผงได้ โดยบัดกรีขั้วไฟฟ้าเข้ากับเข็มนาฬิกา (ขั้วเคลื่อนที่) และเครื่องหมายบอกชั่วโมงบนหน้าปัด (ขั้วคงที่) เช่น การสร้างขั้วไฟฟ้าหนึ่งจุดที่ตำแหน่ง 12 นาฬิกาบนหน้าปัด จะทำให้มอเตอร์เริ่มทำงานทุกชั่วโมง และการสร้างขั้วไฟฟ้าอีกจุดที่ตำแหน่ง 6 นาฬิกา จะทำให้มอเตอร์เริ่มทำงานทุก 30 นาที มอเตอร์ทำงานดังนี้: เข็มนาฬิกาที่ยาวที่สุดหมุนและผ่านตำแหน่ง 12 นาฬิกา ขั้วไฟฟ้าจะทำงาน วงจรควบคุมมอเตอร์จะปิด และมอเตอร์จะหมุนแผง สำหรับการหมุนรอบแกนแนวนอน คุณสามารถใช้หลักการของนาฬิกาน้ำได้ ในกรณีนี้... แผงโซลาร์เซลล์ แผงโซลาร์เซลล์ถูกวางในแนวนอน น้ำหนัก เช่น อิฐ หรือสิ่งของที่คล้ายกัน ถูกติดไว้ที่ปลายด้านหนึ่งของแผง ส่วนปลายอีกด้านหนึ่งวางถังน้ำที่มีน้ำหนักเท่ากับอิฐ มีการเจาะรูในถังน้ำ ซึ่งจะทำให้น้ำไหลออกมา และแผงโซลาร์เซลล์จะหมุนเนื่องจากการเปลี่ยนแปลงมวล ขนาดเส้นผ่านศูนย์กลางของรูในถังและจำนวนรูนั้นถูกกำหนดด้วยสายตา ซึ่งต้องอาศัยการทดลอง
- วัสดุที่เหมาะสมใดๆ ก็สามารถนำมาใช้ป้องกันฝนได้
- ในการควบคุมระบบโดยอัตโนมัติ คุณจะต้องสร้างอุปกรณ์พิเศษขึ้นมา แต่ทางที่ดีที่สุดคือซื้อจากร้านค้า
- ระบบนี้เชื่อมต่อกับอินเวอร์เตอร์ ซึ่งจำเป็นสำหรับการแปลงกระแสตรงเป็นกระแสสลับ หากคุณมีความรู้ด้านวิศวกรรมวิทยุ คุณก็สามารถสร้างมันขึ้นมาเองได้อย่างง่ายดาย
นี่คือวิธีการสร้างอุปกรณ์ติดตามแผงโซลาร์เซลล์ หวังว่าข้อมูลนี้จะเป็นประโยชน์!









